随着现代化的进步,丝瓜APP无限观看破解版周围都在发生着天翻地覆的变化,现代化小区更是层次不穷的涌现。丝瓜APP无限观看破解版也知道一个小区的建成可不是一朝一夕的事,两、三年也是常有的事,有的都要三、四年的时间呢。在此建筑期间,工地临时用电设备的安装一定要粮草先行的。

工地临时用电系统中的设备主要包括配电变压器及周边设备(电源)、总配电箱、分配电箱及开关箱等。下面
丝瓜视频黄色视频软件生产厂家丝瓜APP无限观看破解版分别介绍这些工地临时用电设备的安装技能,你不可小觑哦!
1 配电变压器及周边设备的安装
配电变压器、跌落式高压熔断器、避雷器、接地装置等构成了工地临时用电系统的电源部分,安装时需要配合安装和连接。
(1)配电变压器的安装
配电变压器需要安装在电杆的架台上,安装时,通常需要借助起重机将其吊起,安放在架台上,并进行固定。
配电变压器的安装

配电变压器的安装(续)
(2)跌落式高压熔断器的安装
跌落式高压熔断器主要由绝缘支架、熔断器熔体等构成,安装在配电变压器高压侧或输送给分支的线路上,具有短路保护、过载及隔离电路的功能。

跌落式高压熔断器的安装
值得注意的是,跌落式高压熔断器的熔体按配电变压器内部或高、低压出线发生短路时能迅速熔断的原则进行选择。
熔体的熔断时间必须小于或等于0.1s。通常,配电变压器容量在100kVA及以下时,跌落式高压熔断器的熔体额定电流按变压器高压侧额定电流的2~3倍选择;变压器容量在100kVA以上时,跌落式高压熔断器的熔体额定电流按变压器高压侧额定电流的1.5~2倍选择。
(3)避雷器的安装
避雷器是配电变压器中必不可少的防雷装置,一般高压侧避雷器应安装在高压熔断器与变压器之间,通常安装在一根63mm×6mm×2050mm的镀锌金属横担上。

避雷器的安装
(4)接地装置的安装
接地装置主要由接地体和接地线组成。通常,直接与土壤接触的金属导体被称为接地体;电气设备与接地线之间连接的金属导体被称为接地线。接地装置的安装包括接地体的安装和接地线的安装两部分。
接地装置的安装
2、总配电箱的安装
总配电箱主要用于与配电变压器输出侧的连接,通常为标准统一的低压综合不锈钢配电箱,一般安装于配电变压器架台下侧。

总配电箱的安装
配电变压器及相关配电装置、总配电箱安装好后,接下来需要使用相应规格的导线将这些装置连接起来。

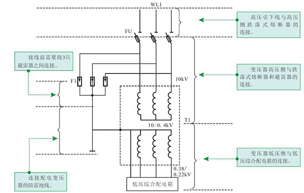
配电变压器与相关设备接线示意图
配电变压器与相关设备接线之前,需要先将避雷器两两之间连接,再与接地装置引线相连接,避雷器之间的连接线通常为横截面积不小于25mm2的多股铜芯塑料线

避雷器之间的接线操作
避雷器之间接线完成后,接下来需要按供电关系,将高压引下线与跌落式熔断器、避雷器、配电变压器及总配电箱连接。图为配电变压器与相关设备的接线。

配电变压器与相关设备的接线

丝瓜APP无限观看破解版电气公司主要产品有
丝瓜在线观看免费、丝瓜视频成人版下载、丝瓜视频黄色视频软件、三相干式(整流)变压器、照明、行灯丝瓜在线观看免费、大功率交流电力稳压器、高精度全自动三相交流稳压器、高精度全自动单相交流稳压器、继电器式多功能交流稳压器、接触调压器等配电产品。为顾客提供满意的产品和服务是丝瓜APP无限观看破解版公司永恒的目标!您的满意是丝瓜APP无限观看破解版永恒的追求,让丝瓜APP无限观看破解版携手共进,共创辉煌明天!需要的给丝瓜APP无限观看破解版打电话:0577-61733101 62206985,丝瓜APP无限观看破解版真诚为你服务!